Циркуляционный насос с мокрым ротором для установки в трубах с ручной трехступенчатой регулировкой частоты вращения.
С устойчивым к токам блокировки электродвигателем. Корпус насоса из серого чугуна (в зависимости от типа может применяться бронза), рабочее колесо из упрочненного стекловолокном синтетического материала, вал из нержавеющей стали с угольными подшипниками скольжения с металлической пропиткой. Серийное применение в системах холодной воды с температурой до -10°C.
Надежность в эксплуатации благодаря перфорированному валу и фильтрующему устройству перед картриджем.
Тип
Циркуляционный насос с мокрым ротором и резьбовым соединением. Предварительно задаваемые ступени частоты вращения для регулировки мощности
Применение
Системы отопления, промышленные циркуляционные системы, системы подачи холодной воды и системы кондиционирования.
Обозначение
| Пример: | Wilo-Star-RS 25/6 |
| Star-RS | Стандартный насос (насос с резьбовым соединением) |
| 25 | Номинальный внутренний диаметр Rp |
| 6 | Номинальный напор [м] при подаче Q = 0 м³/ч |
Особенности/преимущества продукции
- Подходит для монтажа в любом положении с горизонтальным валом; клеммная коробка в положении 3-6-9-12 часов
- Три предварительно выбираемые ступени частоты вращения для адаптации нагрузки
- Простой и надежный монтаж благодаря практичным отливам под ключ на корпусе насосов
- Упрощенный электромонтаж благодаря съемному кабельному вводу клеммной коробки с возможностью двухстороннего подключения; быстрое подключение при помощи пружинных клемм
Технические характеристики
- Допустимый диапазон температур от -10°C до +110°C
- Подключение к сети 1~230 В, 50 Гц
- Вид защиты IP 44
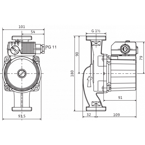
- Резьбовое соединение Rp 1/2, Rp 1 или Rp 1 1/4
- Макс. рабочее давление 10 бар
Оснащение/функции
Режимы работы
- Переключение ступеней частоты вращения
Ручное управление
- Настройка ступеней частоты вращения (3 ступени)
Оснащение
- Отлив под ключ на корпусе насоса
- Возможность двустороннего подвода кабеля
- Быстрое подключение при помощи пружинных клемм
- Устойчивый к токам блокировки электродвигатель
Материалы
- Корпус насоса: Серый чугун
- Рабочее колесо: Синтетический материал
- Вал: Нержавеющая сталь
- Подшипники: металлографит
Комплект поставки
- Насос
- Уплотнения
- Инструкция по монтажу и эксплуатации




















.webp)
.webp)



.webp)


.webp)
.webp)















.jpg)














































